首页  >>  产品展示  > 配件系列  > 转接板

转接板

  • 底板;KYCT01DB
  • 底板;KYCT01DB
  • 底板;KYCT01DB
底板;KYCT01DB

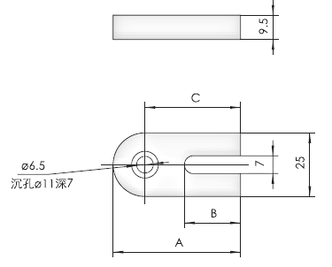
型号KYCT01DB

材质铝合金

颜色氧化黑

LOGO定制科盈创拓

底板;KYCT01DB













产品特性:

 *通用型配件底板用于转接关联产品

 *便于安装固定关联产品 

 *采用高强度硬质铝加工 

 *底板上加工有沉孔,螺纹孔,长槽等便于关联产品安装固定

参数说明.png

q3rwef.png


版权所有 © 2026 精密旋转台|中空旋转台|电动位移台|电控平移台|隔振光学平台-北京科盈创拓
精密旋转台生产厂家,想了解相关品牌模组结构,定制价格,多少钱请联系我们.